给混凝土“缝针”,一针也不能少,你的植筋数量算对了吗?
晴空万里
2025-09-02
|
5071阅读
5
赞
植筋,因其施工灵活、工艺简单的特点在工程建设过程中广泛应用。项目竣工结算时,在图纸、合同明确要求按植筋结算的情况下,甲乙双方经常产生关于植筋根数的争议。
如:某项目结算时,乙方上报几万根植筋,由于甲方人员缺乏对施工现场植筋位置的了解,导致了工程量大幅审减,双方又通过核对,最终确认了植筋的数量。其实如果知道植筋的计算方法,这样的情况完全可以避免,那么到底如何计算植筋的根数,现场又有哪些部位施工需要植筋呢?本篇文章就和大家分享一下植筋的位置以及计算方法。
首先要知道什么是植筋:植筋,也可以称之为种筋,植筋锚固技术又称后锚植筋。钢筋植筋通俗来讲就是在混凝土、墙体岩石等基材上钻孔,然后在孔中注入高强度植筋胶,随后再插入钢筋或型材,胶固化后将钢筋与基材粘接为一个整体。

植筋一般分为普通钢筋和高强度钢筋,规格常有φ6、φ8、φ10、φ12等,植筋的价格受地区、施工难度、工作内容、工程量等因素的影响,常规的施工工艺如下图所示:

那么植筋都应用在哪里呢?以一般的住宅楼项目为例,主要发生在三个位置:1、建筑物加固 2、二次结构 3、砌体拉结筋,当我们在计算植筋数量的时候,要结合设计图纸和现场施工方案等资料,明确各个部位需要植筋的规格和数量,下面针对三个位置详细分析一下:
建筑物加固
建筑物加固的方法有很多,植筋加固是其中的一种。植筋加固是在项目修缮加固工程中,利用植筋的方式将新增加的钢筋构件与原结构构件连接,达到在不破坏原有结构构件的情况下进行有效加固的效果。如某项目钢筋混凝土柱子加固采用增大截面的方式,在加宽位置上进行钻孔植筋。

需要注意的是:在项目施工过程中,如果出于甲方或者设计变更的原因,如:梁、板需要拆除调整、改造加固、重新增加梁、板等,导致需要在已完主体构件上进行植筋时,要及时的办理现场签证单,落实植筋的规格与具体数量,并且取得建设单位、监理单位、施工单位三方的认可,同时变更图纸应加盖设计院出图章,以免结算时产生争议。
二次结构
在二次结构中,植筋多数发生在构造柱、圈梁等位置,二次结构的植筋数量也是最容易产生分歧的,下面以构造柱、圈梁为例,详细分析一下:
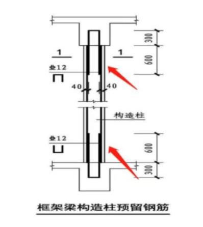
1、构造柱植筋:构造柱的常规施工工艺是先在梁或板的上面或下面进行植筋,然后构造柱纵筋在与植筋的钢筋进行绑扎,如下图所示:

构造柱的纵筋通常采用4φ12或4φ14,所以一般情况下对应植筋就是上下各4根,也就是说一根构造柱对应8根植筋,构造柱植筋深度不小于80毫米。
举个例子:某项目第二层共有10根构造柱,那么需要植筋的数量为:10*4*2=80根。构造柱植筋在广联达软件中的处理方式如下图所示:

![]()
2、圈梁植筋:圈梁的最小纵筋不应小于4φ10,箍筋最大间距不应大于250mm,通常在圈梁与柱子或者剪力墙接触的位置需要植筋,一般情况下植筋的根数就是圈梁主筋的根数。
举个例子:某项目檐高5m,采用砌体填充墙,共4根柱子,结构设计说明规定墙高超过4m设置钢筋混凝土圈梁一道,主筋为4C12,则需要植筋的数量为:4*2*4=32根。圈梁植筋在广联达软件中的处理方式如下图所示:

砌体拉结筋
植筋是砌体拉结筋连接方式的一种,即采用HRB335、HRB400等钢筋将砌体与混凝土构件拉结在一起。注:当采用HRB335级钢筋种植时,原构件的混凝土强度等级不得低于C15;当采用HRB400级钢筋种植时,原构件的混凝土不得低于C20。
通常情况下,非承重墙应沿墙高每500mm~600mm设置2φ6拉结筋和承重墙或柱拉结,伸入墙内不应小于500mm,在大多数房建项目中,为施工方便,施工现场多数情况会采用植筋方式。
举个例子:某项目结构设计说明中要求,砌体填充墙应沿框架柱(或构造柱)高度每隔500mm设2φ6拉筋,墙高5m,那么一般情况下一面墙的植筋根数为:5/0.5*2*2=40根。砌体植筋在广联达软件中的处理方式如下图所示:

总结
在造价工作中,工程量计算的准确与否对整个工程有直接影响。通过阅读本篇文章,相信大家已经了解了植筋的施工位置,以及对应的计算方法,在以后的工作中碰到需要计算植筋根数的时候,如果能够快速、准确的计算工程量,那么在大幅度提高工作效率的同时也可以避免一些不必要的争议。
共28条评论
初心研墨,漫书造价行路笺。
已发表89篇文章
头条热榜 换一换
- 【马年】一马当先·我的开年第一标
- 扎心了!这些造价人的“至暗时刻”,你经历过几个?
- “2025年,超760万人逃离建筑行业了!” 逃离的是哪些人,这些人都去做什么了
- 一马当先|2026造价人第一标:招标文件到手,我是这么牵头、分工、研读的(附中建实战案例)
- 1 2026年工程服务取费标准完整版|收藏备查,告别议价踩坑
- 2 住建部明确:这 6 种情况不算 “挂证”!2026 年严打风暴下,别再被误判!
- 3 定额3∶7灰土的含量为何不是3∶7比? 简单的问题为何成了全国性的疑难杂症
- 4 造价按9%、发票开6%,这3%差价到底归谁?造价人必看,别再被甲方财务问懵!
- 5 湖北率先“炸掉”定额!2026新规震撼建筑业,企业生死大洗牌
- 6 定额组价既然偏离市场价,为何还不废除?
- 7 图纸“说明”了就等于“约定”了吗? ——总价合同下的超前钻勘察费争议解析
- 8 基坑支护从图审到结算对量核心要点——中建五局一线实战经验分享
- 9 为什么住宅楼一般建到33层就不建了?
- 10 害人的税率
- 11 终于!2026年一级造价工程师考试时间确定!
- 12 园林景观园建工程量计算&识图
- 13 “合价包干”的措施费,当真一成不变吗? ——基于某综合开发项目结算争议的深度剖析
- 14 刚入行的小白一定要知道的“造价审计流程及技巧”
- 15 0.8m 电缆沟 2:1 放坡该不该算?10 位造价专家竟 9 个答错!
- 16 一马当先|我的开年第一标 · 复盘万把来元的市场价,为何编出了三万多的控制价?
- 17 结算、决算、施工签证、工程量、审计计算难点解答汇总
- 18 “情理”与“法理”的交融与界分:新定额能否成为调整合同工期的“救命稻草”?
- 19 如何控制工程造价全过程
- 20 一马当先|开年首篇:湿陷性黄土地区市政砖砌检查井施工工艺、预算编制、成本控制三位一体总结
- 21 从《2025年建筑业发展统计分析》数据,看“冰火交融”建筑业的新变局
- 22 关于【广东】粤标定函【2025】22号文中费率计价费用组成划分调整部分功能使用的说明
- 23 一马当先丨AI重构造价咨询:从算量计价到价值赋能的转型
- 24 有一种大神:可以不用电子版CAD图纸做造价
- 25 工程竣工结算的审计项目内容
- 26 “不平衡报价”的翻车现场:低价中标后的成本失控
- 27 墙柱面工程劳务分包价格
- 28 脚手架工程劳务分包价格
- 29 造价过程中的这些“价”你都搞清没?
- 30 年后第一周:一级造价师核心考点压缩版整理
- 31 政府投资项目建设单位工程款(预付款、进度款、结算款、质保金)支付指南
- 32 陕西2025新计价结算实战答疑系列(一)
- 33 未结合定额人材机组成,重复套用定额
- 34 一级造价师考试高频考点的结构化整理与复习应用
- 35 一根电渣压力焊,道尽工程人在质量、人情与定额间的半生挣扎
- 36 招投标文件对不上怎么办?24清单标准下的避坑指南!
- 37 “措施费合价包干”条款下,专业工程暂估价的措施费应如何计取?
- 38 装配式建筑的造价管控:从预制构件到现场装配
- 39 “不接受不平衡报价”,一句空洞约定就能推翻已标价工程量清单吗?
- 40 “十五五”电力规划核心解读与工民建造价转行电力实操指南(一)
- 41 甲供材与乙供材的造价界面管控:从采购到结算的闭环管理
- 42 如何应对工程结算审计过程中哪些佐证资料
- 43 一马当先——审计结论≠结算价格:工程结算应回归合同本源与民事合意
- 44 钢筋混凝土工程劳务分包指导价
- 45 一马当先启新程|造价新手首担开年第一标,成长进阶+成本报价复盘全解析#马年开年第一标
- 46 从“包干争议”到“动态调整”--基于2024计价规范的措施费管理变革
- 47 真空井点降水劳务分包指导价
- 48 低价中标后如何控制成本
- 49 博弈成本与审计
- 50 设计变更与工程签证的边界划分及造价争议化解