软件下载
线下培训
软件教程
智能客服
购买咨询
建筑课堂
答疑解惑
新干线头条
资料下载
技能大赛
答疑专家入驻
课程讲师入驻
行业媒体入驻
设计专区
造价专区
施工专区
联系我们
合作推广
隐私政策
爆炸蛋黄君 2023-11-01 11:03:45 | 广西 土建土建算量GCL2013 | 631查看 2回答
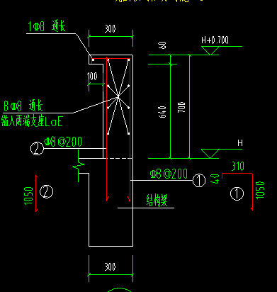
屋面标高是人字形两边放坡屋面,女儿墙用什么构件定义?
我的答案 答题人必看《优秀回答指南》
asfsdfsadfdsf
补充或更正我的问题
完善我的答案 答题人必看 《优秀回答指南》
全部回答 (2) 首答仅用{{minutesHtml}}
KMK 专家
答题: 1482 被赞: 1896
可用异形线性挑檐绘制,钢筋可以截面编辑
且在交接处会自动闭合
首次提交 2023-11-01 11:07:10 最近修改2023-11-01 11:07:35 (修改过1次)
暴龙战士(招投标) 专家
答题: 1319 被赞: 1024
异形栏板
2023-11-01 11:06:43
屋面斜板女儿墙如何绘制
这种屋面女儿墙斜板如何绘制
斜屋面女儿墙套定额
如图,剪头这个位置原是GRC构件,现在和结构一起现浇,请问,是女儿墙以外都按悬挑板(包括板上面的一小部分),女儿墙以内的斜板按有梁板吗?还是怎么套定额比较合理2025-03-21 19:30:09 补充
斜向外的女儿墙应该怎么绘制?
如题,求问
屋面异形女儿墙该怎么绘制?
请问一下,女儿墙斜屋面贴瓦怎么绘制?是按照女儿也斜屋面的贴面实际面积吗
如果没找到您想要的答案,试试直接提问吧!
尊敬的“{{nickname}}”,您好!
答疑解惑——建筑行业领先的互动问答平台
答疑解惑——建筑业(造价行业)领先的互动问答平台
您的问题已发布您的回答已提交
大多数问题会在7分钟内获得回答,感谢您的耐心等待
恭喜获得答题积分奖励,帮助他人,成就自己。
采纳优质答案,更可获得积分,兑换礼品哦!
高质量答案更易被采纳,获得额外高额积分奖励!
专家榜
数据更新时间 : 2026-03-06
天降福运!积分,经验值等福利在等着你哟,快来签到吧
还有0条追问正在审核中,请稍后回来查看