-
yang
2022-10-09 10:43:16
|
河北
土建
|
835查看
4回答
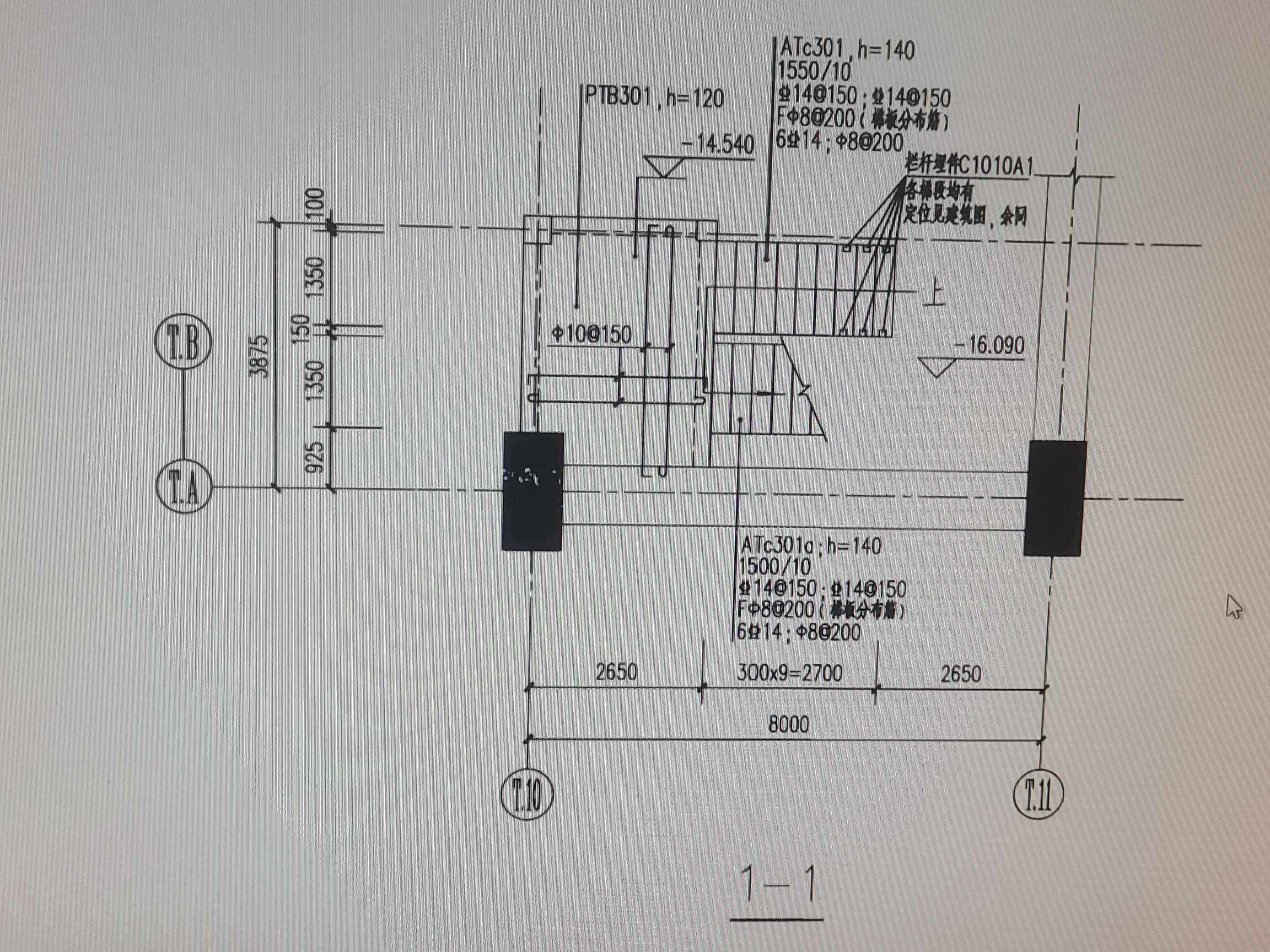
这个图应该怎么理解

2022-10-09 10:53:34 补充
踏步总高怎么看
全部回答
(4)
首答仅用{{minutesHtml}}
-

2022-10-09 10:45:15
-
楼梯的配筋图
2022-10-09 10:45:20
-
具体想表达什么意思呢
2022-10-09 10:45:54
-
ATc型梯板,直接在单构件中查找图集输入信息计算钢筋,PTB可以直接在软件中绘入,布置钢筋双网双向C10@150
2022-10-09 10:47:19






还有0条追问正在审核中,请稍后回来查看