-
zgsdxly
2022-08-27 21:29:12
|
山东
土建结算计价软件GBQ4.0
|
1058查看
1回答
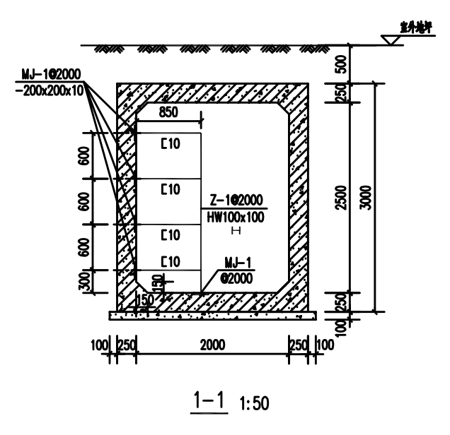
山东消耗量定额电缆沟套项
如图电缆沟是套电缆沟子目还是套钢筋砼墙板?依据什么规定判断?谢谢!

全部回答
(1)
首答仅用{{minutesHtml}}
-
已采纳
这个那么大,套相应钢筋混凝土墙板子目
2022-08-27 21:34:22






还有0条追问正在审核中,请稍后回来查看