-
造价張
2022-08-12 15:30:35
|
山东
土建
|
799查看
1回答
各位老师:山东2016建筑工程消耗量定额脚手架问题:
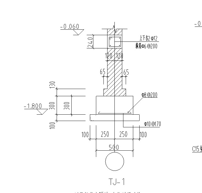
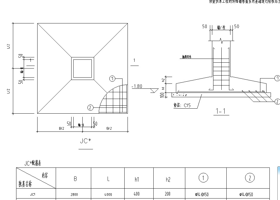
工程无地下室,独立基础+条形基础,墙体为砖基础,剪力墙柱,基础底标高-1.8米,见附图,问题:
基础剪力墙脚手架是否计取,高度如何确定?
砖基础独基和条形基础底标高不一样,内墙砖基础脚手架是否计取,高度如何确定?



全部回答
(1)
首答仅用{{minutesHtml}}
-
基础埋深超过1.2米就要计算脚手架的
2022-08-13 10:03:25






还有0条追问正在审核中,请稍后回来查看